CQ-WG3246-370
電壓Voltage:3V/6V/9V/12V/24V
轉速Speed:1-800RPM
家用設備、電子鎖、辦公設備、機器人、紙巾機、升降機、讀卡機、電動工具等...
熱線電話: 0574-62199590
產品視頻
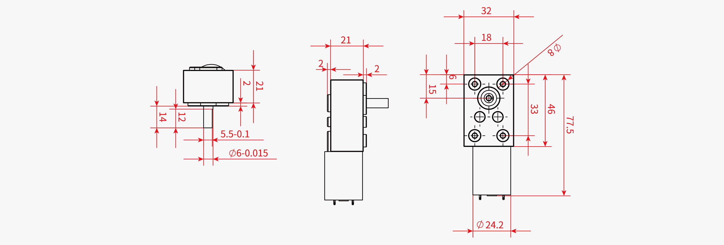
尺寸圖
性能曲線表
| Model | RS-370/24V6000 | Volt:24V |
Direction :CCW
|
|---|---|---|---|
| Torque | Speed(y) | Current(x) | |
| 0 | g-cm | 6000 | 0.012 |
| 5.30 | g-cm | 5853 | 0.02 |
| 26.58 | g-cm | 5112 | 0.792 |
| 28.00 | g-cm | 5000 | 0.85 |
| 85.00 | g-cm | 3014 | 0.23 |
變速箱參數
|
齒輪箱減速級數 |
減速比 |
運轉力矩 |
齒輪效率 |
|---|---|---|---|
| 3 |
1:66/1:131
1:175/1:272
|
30kgf.cm | 75% |
| 4 |
1:476/1:578
1:682/1:828
|
40kgf.cm | 65% |
| 5 |
1:952/1:1364
1:1656/1:1686
|
50kgf.cm | 60% |
規格曲線圖
下一篇:CQ-WG5840-3157
上一篇:




